УПК12Ф-1
Доступен для скачивания
краткий каталог продукции:
Пневматический клапан нормально открытый одностороннего действия с угловым поршнем УПК12Ф-1 для управления потоком рабочей среды в трубопроводе. Закрывается при подаче управляющего давления на клапан и автоматически открывается под действием пружины при снятии управляющего давления.Особенности:
Модификации:
Расшифровка обозначения на примере клапана УПК12Ф-1-050х015 XYZ:
УПК12Ф – модель клапана
1 – тип клапана: одностороннего действия
050 – внутренний диаметр привода
015 – Ду, мм (диаметр условного прохода)
X – присоединение: F – фланцевое
Y – материал корпуса клапана: S – нержавеющая сталь
Z – материал уплотнения: P – PTFE
Версия: 2026-02-20-СДГ
- Клапан нормально открытый одностороннего действия с пружиной
- Высокая пропускная способность
- Индикатор состояния клапана (красный шток поднят, когда клапан открыт)
- Защита трубопровода от гидравлических ударов благодаря специальной конструкции клапана
- Бесшумная работа
- Долгий срок службы
- Параметры рабочего давления приведены для установки клапана по направлению потока. При установке в обратном направлении максимальное рабочее давление снизится, и будет необходимо более высокое управляющее давление 0,6...0,8 МПа
- Для защиты клапана от попадания инородных частиц необходима установка фильтра механической очистки перед входным отверстием крана.
- Для герметизации резьбовых/фланцевых металлических соединений рекомендуется использование анаэробных герметиков.
| Параметр
| Значение
|
| Рабочая среда | Пар, вода, горячая вода, воздух, инертные
газы, масла, слабые кислоты и щелочи |
| Максимальная вязкость рабочей среды
| 600 мм²/с |
| Материал | Корпуса клапана: нержавеющая сталь
Корпуса привода: нержавеющая сталь Уплотнения: PTFE |
| Температура рабочей среды клапана | −20...+180°С |
| Температура эксплуатации
| −10...+60°С |
| Рабочее давление среды | 0...1,6 МПа |
| Диаметр условного прохода | 15...100 мм |
| Присоединение | Фланцевое F½"...F4" |
| Управляющая среда
| Воздух, нейтральные газы |
| Управляющее давление
| 0,4...0,7 МПа |
| Присоединение воздуховодов
| G¼" |
| Обозначение | Ду, мм
|
Дэф,
мм
| Внутр.
диаметр привода, мм | Kv, м³/ч
| Присоединение
клапана | Присоединение
воздуховодов | Мах
рабочее давление среды, МПа | Вес,
г |
| УПК12Ф-1-050х015 FSP | 15 | 13 | 50 | 5 | F½" |
¼"
| 1,6 | 1910 |
| УПК12Ф-1-063х020 FSP | 20 | 18 | 63 | 10 | F¾" | 1,6 | 2900 | |
| УПК12Ф-1-063х025 FSP | 25 | 22 | 63 | 18 | F1" | 1,6 | 3380 | |
| УПК12Ф-1-080х032 FSP | 32 | 28 | 80 | 23 | F1¼" | 1,6 | 5150 | |
| УПК12Ф-1-080х040 FSP | 40 | 35 | 80 | 33 | F1½" | 1,6 | 5880 | |
| УПК12Ф-1-080х050 FSP | 50 | 42 | 80 | 53 | F2" | 1,6 | 6900 | |
| УПК12Ф-1-100х065 FSP | 65 | 59 | 100 | 90 | F2½" | 1,6 | 12300 | |
| УПК12Ф-1-125х080 FSP | 80 | 68 | 125 | 150 | F3" | 1,6 | 13600 | |
| УПК12Ф-1-125х100 FSP | 100 | 86 | 125 | 230 | F4" | 1,6 | 17300 |
УПК12Ф – модель клапана
1 – тип клапана: одностороннего действия
050 – внутренний диаметр привода
015 – Ду, мм (диаметр условного прохода)
X – присоединение: F – фланцевое
Y – материал корпуса клапана: S – нержавеющая сталь
Z – материал уплотнения: P – PTFE
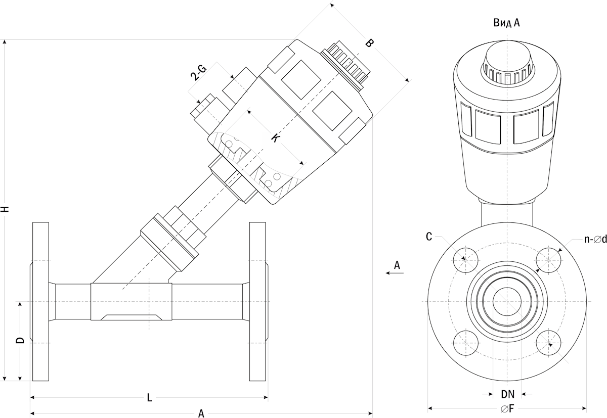
| Габаритные размеры |
![]() |
| Модель
| G | F | DN | ||||||||
| Внутр.
диаметр привода, К | A
| B
| D
| n-∅ d | H
| L
| С | ||||
| УПК12Ф-1-050х015 FSP | ¼" | ½" | 15 | 50 | 194 | 63 | 45 | 8-14 | 194 | 136 | 66 |
| УПК12Ф-1-063х020 FSP | ¼" | ¾" | 20 | 63 | 211 | 79 | 50 | 8-14 | 234 | 134 | 77 |
| УПК12Ф-1-063х025 FSP | ¼" | 1" | 25 | 63 | 204 | 79 | 55 | 8-14 | 254 | 146 | 87 |
| УПК12Ф-1-080х032 FSP | ¼" | 1¼" | 32 | 80 | 238 | 98 | 65 | 8-18 | 278 | 157 | 102 |
| УПК12Ф-1-080х040 FSP | ¼" | 1½" | 40 | 80 | 252 | 99 | 70 | 8-18 | 288 | 183 | 110 |
| УПК12Ф-1-080х050 FSP | ¼" | 2" | 50 | 80 | 268 | 100 | 77 | 8-18 | 312 | 199 | 128 |
| УПК12Ф-1-100х065 FSP | ¼" | 2½" | 65 | 100 | 335 | 124 | 88 | 8-18 | 380 | 231 | 146 |
| УПК12Ф-1-125х080 FSP | ¼" | 3" | 80 | 125 | 343 | 148 | 95 | 16-18 | 386 | 252 | 158 |
| УПК12Ф-1-125х100 FSP | ¼" | 4" | 100 | 125 | 350 | 156 | 105 | 16-19 | 424 | 280 | 178 |
Версия: 2026-02-20-СДГ
| Документ | Дата обновления |
| Паспорт на УПК12Ф-1 | 21.02.2026 |
