ФР-Х000А
Доступен для скачивания
краткий каталог продукции:
Фильтр-влагоотделитель с регулятором давления и автоматическим сливом конденсата ФР-Х000А предназначен для очистки сжатого воздуха от капельной влаги и твердых частиц, удаления конденсата и автоматического поддержания давления на заданном уровне в пневматических системах
Особенности:
- Регулятор давления и фильтр-влагоотделитель в одном корпусе
- Прибор со встроенным манометром
- Может устанавливаться отдельно или в качестве модуля блока подготовки воздуха
- Автоматический слив конденсата
- Рукоятка регулировки давления легко фиксируется в нужном положении путем нажатия
- Фильтрующий элемент изготовлен из пластика или спеченной бронзовой крошки, легко заменяется
- Материал корпуса: алюминиевый сплав
- В случае необходимости замены диафрагмы (износ, смена температурных условий и пр.) выберите новую диафрагму
- Манометр в комплекте. При необходимости манометр можно заменить
- Для перехода на другие размеры резьбы используются футорки, например, VTr.581.N
| Параметр | Значение |
| Рабочая среда
| Сжатый воздух
|
| Рабочее давление
| 0,05...1 МПа |
| Максимальное давление
| 1,5 МПа
|
| Диапазон регулировки
| 0,05...0,85 МПа |
| Тонкость очистки
| 5 мкм или 25 мкм |
| Присоединение
| G¼"...G1"
|
| Присоединение манометра
| G⅛"...G¼"
|
| Расход воздуха
| 550...5500 л/мин
|
| Рабочая температура | +5...+60°С
|
Модификации:
| Модель
| Расход воздуха, л/мин | Присоединение | Присоединение манометра | Габаритные размеры, мм | Вес, г
|
| ФР-2000А-14
| 550
| G¼" | G⅛"
| 180×54×83 | 360
|
| ФР-3000А-14
| 2000
| G¼" | G⅛"
| 244×54×92 | 560
|
| ФР-3000А-38
| 2000
| G⅜" | G⅛"
| 244×54×92 | 560
|
| ФР-4000А-12
| 4000
| G½" | G¼"
| 299×70×112 | 1150
|
| ФР-4000А-34
| 4500
| G¾" | G¼"
| 288×75×117 | 1210
|
| ФР-5000А-34
| 5500
| G¾" | G¼"
| 366×90×115 | 1700
|
| ФР-5000А-1
| 5500
| G1" | G¼"
| 366×90×115 | 1700
|
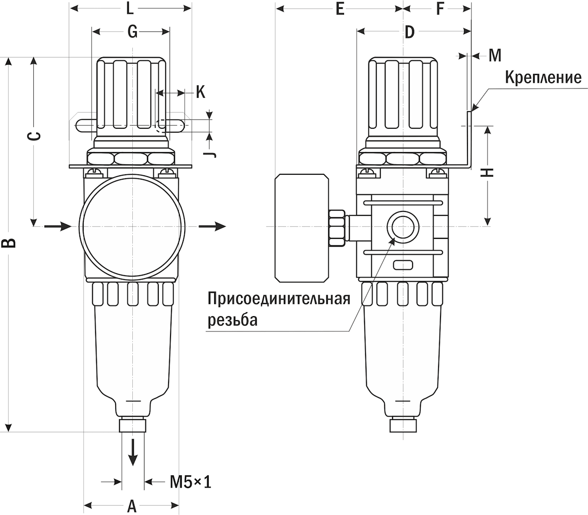
| Габаритные размеры |
![]() |
| ФР-2000А |
![]() |
| ФР-3000А, ФР-4000А, ФР-5000А |
| Модель
| ||||||||||||||
| Размеры,мм | ||||||||||||||
| A | B | C | D | d | E | F | G | H | J | K | L | M | N* | |
| ФР-2000А | 40 | 180 | 73 | 52 | - | 49 | 34 | 32,5 | 43,5 | 5 | 15 | 54 | 2 | 42 |
| ФР-3000А | 53 | 244 | 87 | 66 | 10 | 53 | 39 | 35 | 46 | 6 | 11 | 54 | 2 | 42 |
| ФР-4000А-12 | 70 | 299 | 108 | 80 | 10 | 63 | 49 | 44 | 50 | 8 | 19 | 70 | 2 | 52,5 |
| ФР-4000А-34 | 75 | 288 | 110 | 80 | 8 | 68 | 49 | 44 | 55,5 | 8 | 19 | 70 | 2 | 52,5 |
| ФР-5000А | 90 | 366 | 116 | 80 | 8/10 | 66 | 49 | 44 | 59 | 8 | 19 | 70 | 2 | 52,5 |
* N – диаметр отверстия в крепежной панели
| Документ | Дата обновления |
| Паспорт на ФР-Х000А | 24.09.2025 |

