ПР221-К2
Доступен для скачивания
краткий каталог продукции:
Пневмовыключатель конечный ПР221-К2 предназначен для распределения воздушных потоков, управления исполнительными устройствами пневмосистем
Особенности:
- Срабатывание на нажатие
| Параметр | Значение |
| Тип распределителя
| 2/2 (2-линейный, 2-позиционный), нормально закрытый
|
| Рабочая среда | Очищенный воздух (тонкость очистки 25 мкм) |
| Присоединение | G⅛" |
| Рабочее давление | 0…0,8 МПа |
| Рабочая температура | 0…+80°C |
| Исполнение | С самовозвратом |
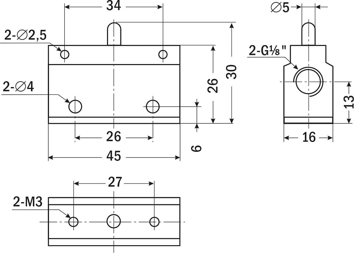
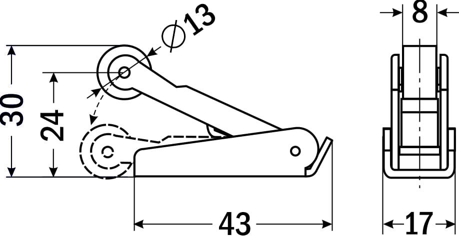
| Габаритные размеры | 56×56×17 мм
|
| Вес | 80 г |
| Пневматическая схема
|
![]() |
Описание работы:Пневмовыключатели конечные ПР221-К2 имеют 2 канала ввода-вывода и 2 положения золотника (2-линейные, 2-позиционные). Подвижный запорный элемент может занимать две дискретные позиции, соответствующие двум состояниям: «проход воздуха закрыт» и «проход воздуха открыт». Такой пневмовыключатель может коммутировать между собой две линии: линию питания (вход) и линию потребителя (выход).
В исходном положении у пневмовыключателя ПР221-К2 порт питания и рабочий порт закрыты, давление никуда не подается и не сбрасывается. При нажатии на ролик порт питания соединяется с рабочим портом. При снятии нажима золотник под действием пружины возвращается в исходное положение.
| Габаритные размеры |
![]() |
|
Версия: 2024-11-20-СДГ
| Документ | Дата обновления |
| Паспорт на ПР221-К2 | 04.06.2025 |

