МТ
Доступен для скачивания
краткий каталог продукции:
Тиристорный модуль предназначен для создания коммутационных и преобразовательных узлов в силовой электронике, электроэнергетике (тиристорных регуляторах мощности, устройствах плавного пуска и пр.)
Технические характеристики:
Версия: 2015-12-02-КВА
Технические характеристики:
| Параметр | МТ-55
| МТ-110
| МТ-160 | МТ-200 | МТ-250 |
| Ток | 55 А
| 110 А
| 160 А
| 200 А | 250 А |
| Габаритные размеры
| 20×35,5×92 мм
| 25×39×94 мм
| н/д
| н/д | н/д |
| Вес | 124 г | 147 г | н/д | н/д | н/д |
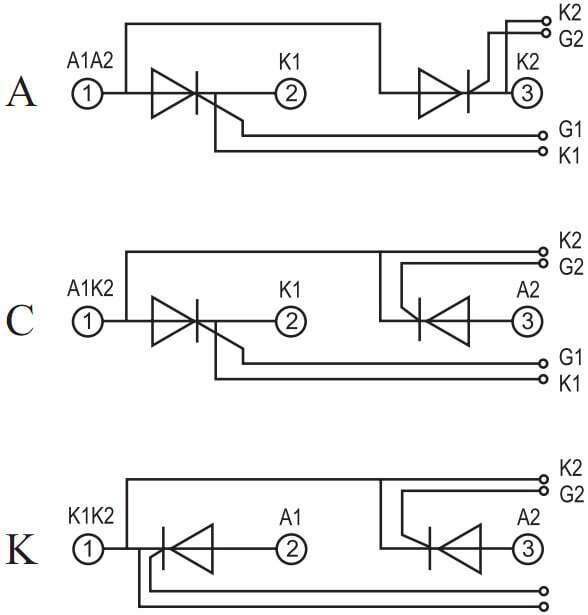
| Схема включения |
![]() |
Версия: 2015-12-02-КВА
