ПР221-К5
Доступен для скачивания
краткий каталог продукции:
Пневмокнопка утопленная ПР221-К5 предназначена для распределения воздушных потоков, управления исполнительными устройствами пневмосистем
Технические характеристики:
| Параметр | Значение |
| Тип распределителя
| 2/2 (2-линейный, 2-позиционный), нормально закрытый |
| Рабочая среда | Очищенный воздух (тонкость очистки 25 мкм) |
| Присоединение | G⅛" |
| Рабочее давление | 0…0,8 МПа |
| Рабочая температура | 0…+80°C |
| Исполнение | С самовозвратом |
| Цвет
| Красный или зеленый
|
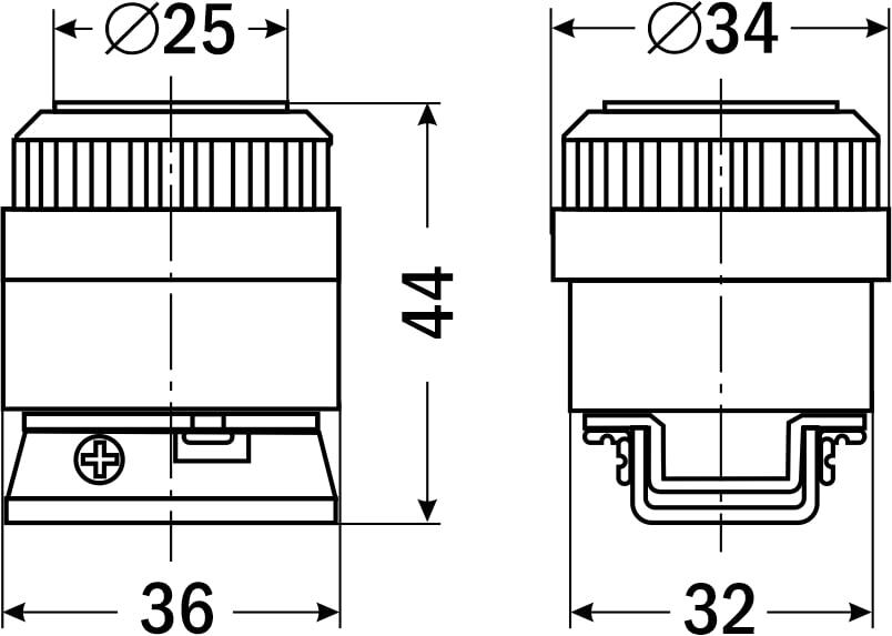
| Габаритные размеры | 45×34×70 мм |
| Вес | 100 г |
| Пневматическая схема
|
![]() |
Описание работы:Пневмокнопки ПР221-К5 имеют 2 канала ввода-вывода и 2 положения золотника (2-линейные, 2-позиционные). Подвижный запорный элемент может занимать две дискретные позиции, соответствующие двум состояниям: «проход воздуха закрыт» и «проход воздуха открыт». Такая пневмокнопка может коммутировать между собой две линии: линию питания (вход) и линию потребителя (выход).
В исходном положении у пневмокнопки ПР221-К5 порт питания и рабочий порт закрыты, давление никуда не подается и не сбрасывается. При нажатии на кнопку порт питания соединяется с рабочим портом. При снятии нажима золотник под действием пружины возвращается в исходное положение.
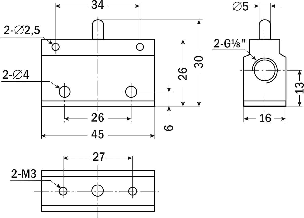
| Габаритные размеры |
![]() |
![]() |
Версия: 2024-11-13-СДГ
| Документ | Дата обновления |
| Паспорт на ПР221-К5 | 24.12.2025 |


