ПР522-К2
Доступен для скачивания
краткий каталог продукции:
Пневмовыключатель конечный ПР522-К2 предназначен для распределения воздушных потоков, управления исполнительными устройствами пневмосистем.
Пневмовыключатели конечные относятся к направляющей аппаратуре и служат для управления направлением движения потоков сжатого воздуха. Управление осуществляется за счет переключения схемы соединения внутренних каналов распределителя с входными и выходными присоединительными отверстиями.
Пневмовыключатели конечные относятся к направляющей аппаратуре и служат для управления направлением движения потоков сжатого воздуха. Управление осуществляется за счет переключения схемы соединения внутренних каналов распределителя с входными и выходными присоединительными отверстиями.
Особенности:
- Срабатывание на нажатие
| Параметр | Значение |
| Тип распределителя
| 5/2 (5-линейный, 2-позиционный)
|
| Рабочая среда | Очищенный воздух (тонкость очистки 25 мкм) |
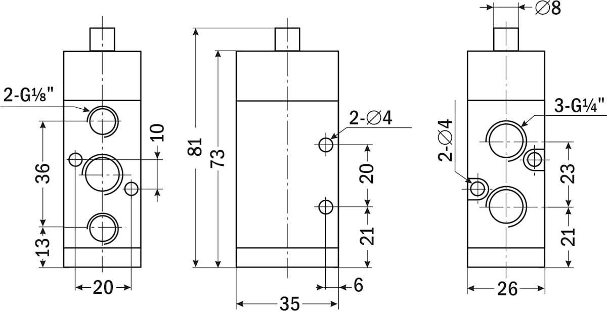
| Присоединение рабочих портов | G¼"
|
| Присоединение портов выхлопа | G⅛" |
| Рабочее давление | 0…0,8 МПа |
| Рабочая температура | 0…+60°C |
| Исполнение | С самовозвратом |
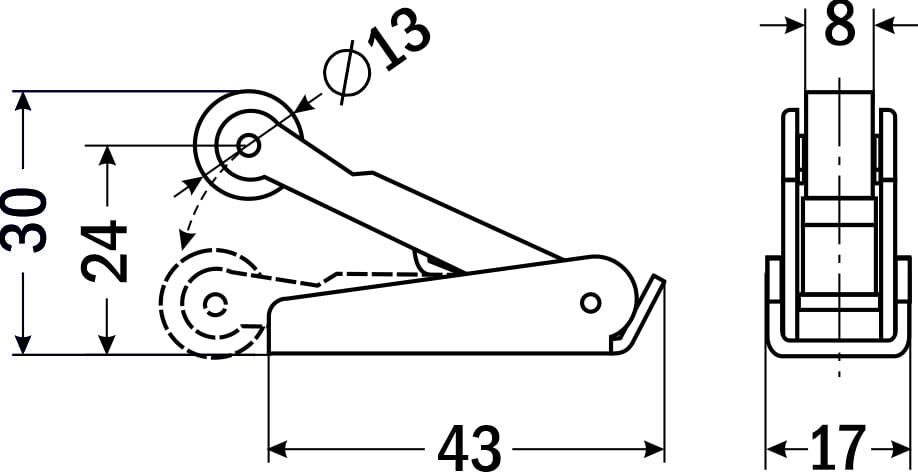
| Габаритные размеры | 103×56×26 мм
|
| Вес | 180 г |
| Пневматическая схема
|
Расшифровка обозначений: Р – порт питания; А – рабочий порт; В – рабочий порт; R – порт выхлопа; S – порт выхлопа. |
Описание работы:Для управления пневмоцилиндрами двустороннего действия применяют пневмовыключатели конечные типа 5/2 (5-линейные, 2-позиционные), имеющие 5 каналов ввода-вывода и 2 положения золотника.
В исходном положении воздух подается через порт питания P на рабочий порт А, при этом рабочий порт В соединен с портом выхлопа S. При нажатии на ролик порт питания Р переключается на рабочий порт В, а рабочий порт А соединяется с портом выхлопа R. При снятии нажима золотник под действием пружины возвращается в исходное положение.
| Габаритные размеры |
![]() |
![]() |
Версия: 2024-11-20-СДГ
| Документ | Дата обновления |
| Паспорт на ПР522-К2 | 20.02.2025 |

